

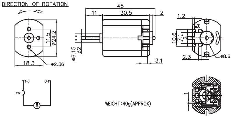
| MODEL | VOLTAGE | NO LOAD | AT MAXIMUM EFFICIENCY | STALL | |||||||||
|---|---|---|---|---|---|---|---|---|---|---|---|---|---|
| OPERATING RANGE |
NOMINAL | SPEED | CURRENT | SPEED | CURRENT | TORQUE | OUTPUT | EFF | CURRENT | TORQUE | |||
| rpm | A | rpm | A | g-cm | mN-m | W | % | A | g-cm | mN-m | |||
| DC-280ST-15265-NR | 12.0-24.0 | 24.0V CONSTANT | 14000 | 0.10 | 12361 | 0.41 | 52 | 5.10 | 6.54 | 69 | 2.34 | 360 | 35.29 |
| DC-280ST-18165P-R | 6.0-12.0 | 12.0V CONSTANT | 11500 | 0.14 | 10060 | 0.59 | 44 | 4.31 | 4.55 | 67 | 2.96 | 275 | 26.96 |
| DC-280ST-18180P-R | 6.0-12.0 | 12.0V CONSTANT | 10000 | 0.13 | 8299 | 0.51 | 47 | 4.61 | 4.01 | 67 | 2.42 | 271 | 26.57 |
| DC-280ST-20150P-R | 6.0-12.0 | 12.0V CONSTANT | 12500 | 0.16 | 10616 | 0.80 | 54 | 5.29 | 5.95 | 65 | 3.85 | 337 | 33.04 |



